Reports 1-1 of 1 Clear search Modify search
IOO (General)
osamu.miyakawa - 15:23 Thursday 18 December 2025 (35897) Print this report
Widiband EOM efficiency for IMC

(Saito, Miyakawa)

Abstract:

We measured the efficiency for the wideband EOM of IMC. The result was 0.198 rad/V, which includes 200 gain of the RF amp. 

Detail:

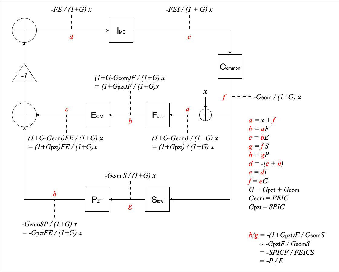
Basically, the method is similar to klog:29194. We measured the TF from FAST OUT to SLOW OUT of IMC CMS with Moku:lab. It will be a ratio of EOM actuator efficiency A_EOM over PZT actuator efficiency A_PZT. Yamamoto-kun kindly made a good schematic to understand this transfer function (Fig.1).

Unit of EOM efficiency part in the measured data is Hz/V, so we convert it to rad/V by dividing the data by 2*pi*frequency. Fig.2 shows the result, which is the same meaning as Fig.4 of klog:29194.

We multiply it by the PZT efficiency of 1.54MHz/V that was measured in klog:35884. The result of EOM efficiency is 0.198 rad/V at the FASTOUT of IMC CMS. Note that this value includes 200 times gain of the RF amplifier, so pure EOM efficiency is 0.993 mrad/V.

It looks very low, but it is reasonable that a waveguide-type EOM used for the fiber laser had a very high efficiency. One inconsistency is, if you look at the data sheet of this Newfocus 4004, it shows that the efficiency is only 15 urad/V. The difference is 10000 orders. On the other hand, we had used a ~100mrad/V EOM for the fiber laser, and it can be replaced with another old EOM and only a 200-gain amplifier. This new EOM can make 100kHz UGF, so the difference can be thought of as ~100, not 10000. Currently, we cannot find any strange gain experimentally, so we are suspecting the efficiency value in the data sheet.

Images attached to this report
Comments to this report:
osamu.miyakawa - 12:26 Friday 26 December 2025 (35974) Print this report

Yamamoto-kun told me that some of the catalogs in the Japanese version said the wrong value as 15urad/V, but the correct value seems to be 15mrad/V

 

We divided the result by 2 *pi, but it was wrong. Conversion between Phase [deg] to Frequency [Hz] is: Frequency = d(Phase)/dt (or 1/(2*pi)* d(phi)/dt for angular frequency). So the pure actuator efficiency of the wideband EOM will be 6.24mrad/V. If you see from the FAST output of IMC servo, the efficiency is 1.25rad/V, including 200 times gain of RF amplifiers.

 

Search Help
×

Warning

×